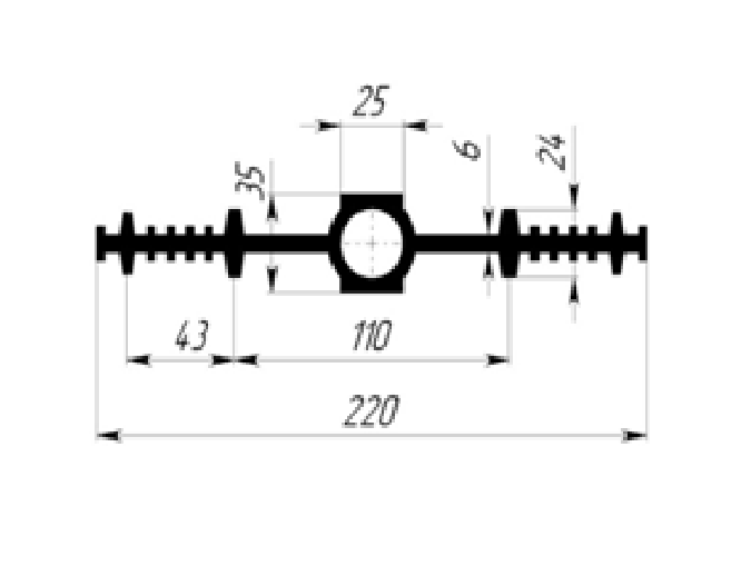
Гидрошпонка тип ДВ-220/25 (внутренняя деформационная, ЭПДМ резина)
Артикул:
гкдв22025эпдм
Гидроизоляционная шпонка тип ДВ-220/25 (внутренняя деформационная, ЭПДМ резина) ТУ-5775-001-02476787-2016
Подробнее
Нашли дешевле?
Описание
Гидроизоляционная шпонка тип ДВ-220/25 (внутренняя деформационная, ЭПДМ резина) ТУ-5775-001-02476787-2016 применяется для герметизации деформационных швов в монолитных железобетонных конструкциях при новом строительстве гидротехнических, заглубленных и подземных сооружений, в том числе сооружений метрополитена, транспортных, железнодорожных и гидротехнических тоннелей.
Порядок установки описан в следующих документах: Технологический регламент ТР 186-07, СТО НОСТРОЙ 2.7.156-2014
Порядок установки описан в следующих документах: Технологический регламент ТР 186-07, СТО НОСТРОЙ 2.7.156-2014
Характеристики
|
Производитель
|
Гидро-гарант |
|
Назначение
|
деформационные швы |
|
Материал
|
ЭПДМ резина |
|
Тип установки
|
Внутренняя |
Задать вопрос



