Гидрошпонка АКВАСТОП ДЗС-140/100-2/40 (деф. п-образная для сопряж. к сущ.конст шир.100мм, ПВХ-П)
Артикул:
асдзс140100240пвх
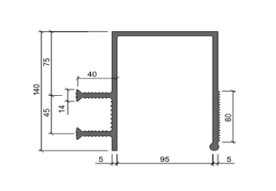
Гидроизоляционная шпонка АКВАСТОП ДЗС-140/100-2/40 (деформационная п-образная для сопряжения к существующим конструкциям шир.100мм, ПВХ-П) ТУ 5772–001–58093526–11
Подробнее
Нашли дешевле?
Описание
Гидроизоляционная шпонка АКВАСТОП ДЗС-140/100-2/40 (деформационная п-образная для сопряжения к существующим конструкциям шир.100мм, ПВХ-П) ТУ 5772–001–58093526–11 применяется для герметизации деформационных швов в монолитных железобетонных конструкциях при новом строительстве гидротехнических, заглубленных и подземных сооружений при сопряжении новых конструкций с существующими конструкциями. При монтаже к существующим конструкциям необходимо использовать специализированные прижимные планки, герметизирующие ленты и анкеры, не входят в комплект поставки, приобретаются отдельно.
Порядок установки описан в следующих документах: Технологический регламент ТР 186-07, СТО НОСТРОЙ 2.7.156-2014.
Порядок установки описан в следующих документах: Технологический регламент ТР 186-07, СТО НОСТРОЙ 2.7.156-2014.
Характеристики
|
Производитель
|
Аквабарьер |
|
Назначение
|
деформационные швы |
|
Материал
|
ПВХ-П |
|
Тип установки
|
Защитная |
Задать вопрос



